調度集控中心系統
部分功能介紹
1、數據采集與監控

實時采集各站點數據,并通過圖形界面顯示站點的分布情況,通過點擊圖上的各個站點可查看該站內的變電設備一次接線圖以及實時數據
2、數據查詢

通過分析對比同一監控點在不同時間段及不同監控點在同一時間段的電能數據,可以更好的發現設備的異常情況,為管理人員查找設備問題及維護提供數據依據
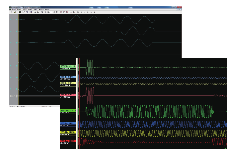
3、事故追憶

事故觸發、遙信變位觸發;遙測、計算越限觸發;邏輯計算條件觸發;
記錄遙信狀態、遙測值、計算值
PDR觸發時前、后記錄數據的時間長度、間隔可以由用戶定義
PDR數據檢索、曲線顯示、畫面重演等
4、故障錄波

在電力系統發生故障(如線路短路、接地等,以及系統過電壓、負荷不平衡等)時,自動地、準確地記錄電力系統故障前、后過程的各種電氣量(主要數字量,比如開關狀態變化,模擬量,主要是電壓、電流數值)的變化情況,通過這些電氣量的分析、比較,對分析處理事故、判斷保護是否正確動作、提高電力系統安全運行水平的作用
5、事件報警

包含實時事件與歷史事件查詢,針對系統所提示故障信息及用戶操作失誤的記錄與提示,支持語音、彈框、短信通知等多種告警提示方式,為系統的安全運行提供保障
6、報表查詢

通過報表可以快速地收集和顯示指定的設備數據,報表既能反映系統實時的電能消耗情況,也能對設備的歷史電能、電量進行統計、分析,使管理者能夠實時掌握和分析設備運行情況;支持日報、月報、年報等多種報表數據查詢,并可自定義報表模板
7、系統管理

系統管理從軟件整體上配置需要完善的功能,包含用戶管理、設備管理、通訊管理等。系統管理是針對管理員對系統重要參數進行的配置

